德冠高壓風機特點:
高性能:高達2500m3/h的吸氣量和高達780mbar的壓差.
高品質:采用寬壓雙頻,使用零件達到最高要求,運用標準IP55,
F級高效馬達,且通過CE認證,達到最高標準。
低噪音:采用低噪音馬達加一體式的消音設備,噪音極低。
易安裝:可隨時安裝與使用,亦可任意安裝于水平或垂直方向
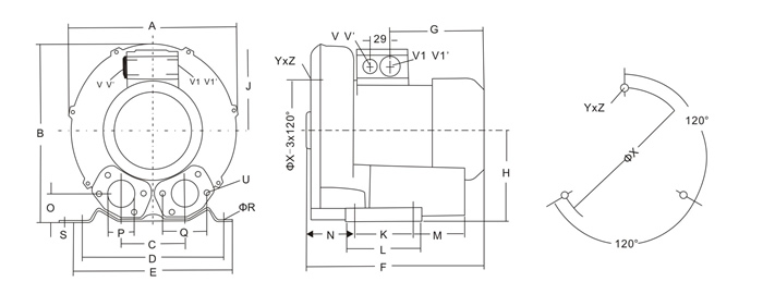
德冠品牌高壓風機產品尺寸表

|
型號 |
相數 |
A |
B |
C |
D |
E |
F |
G |
H |
J |
K |
L |
M |
N |
O |
P |
Q |
ΦR |
|
2DG 730 H26 |
3 |
382 |
384 |
125 |
290 |
325 |
419 |
189 |
197 |
135 |
140 |
180 |
84 |
109 |
54 |
55 |
83 |
15 |
|
型號 |
相數 |
S |
U |
V |
V’ |
V1 |
V1’ |
YxZ |
X-holes |
ΦX |
|
2DG 730 H26 |
3 |
4.5 |
M8 x 17 |
M32x1.5 |
M32x1.5 |
M32x1.5 |
M32x1.5 |
M10 x 20 |
0°/120°/240° |
Φ240 |
德冠品牌高壓風機產品參數表
|
型號 |
相數 |
段數 |
頻率 |
功率 |
額定電壓 |
額定電流 |
最大流量 |
最大壓力 |
最大壓力 |
噪聲 |
重量 |
|
Hz |
KW |
V |
A |
m3/h |
吸力 |
吹力 |
dB |
Kg |
|
2DG 730 H26 |
3 |
1 |
50 |
3 |
200-240V △345-415 |
12.5△/7.2 |
420 |
-220mbar |
220mbar |
70 |
37 |
|
60 |
3.45 |
220-275V △380-480 |
12.6△/7.3 |
500 |
-200mbar |
190mbar |
73 |
37 |
*另注:以上參數是指風機在正常工作情況下,允許的最大工作吸力/吹力