|
|
|
| 產品參數: |
| 產品名稱: |
2DG 530 H16 1.3KW |
|
|
| 產品型號: |
2DG 530 H16 |
曲線編碼: |
none |
| 相 數: |
三相 |
段 數: |
單段 |
| 額定電壓: |
200-240V/345-415V |
額定功率: |
1.3 (kw) |
| 最大流量: |
270 (m3/h) |
最大吸力: |
-100 (mbar) |
| 最大吹力: |
100 (mbar) |
重 量: |
23 (kg) |
| 噪聲等級: |
65 (Db) |
|
|
| 尺寸大小(L*W*H): 334*334*337 (mm) |
| * 另注:以上參數是指風機在零風量下的吸力/吹力。 |
| 在線咨詢: |
  |
|
德冠高壓風機特點
高性能:高達2500m3/h的吸氣量和高達780mbar的壓差.
高品質:采用寬壓雙頻,使用零件達到最高要求,運用標準IP55,
F級高效馬達,且通過CE認證,達到最高標準。
低噪音:采用低噪音馬達加一體式的消音設備,噪音極低。
易安裝:可隨時安裝與使用,亦可任意安裝于水平或垂直方向.
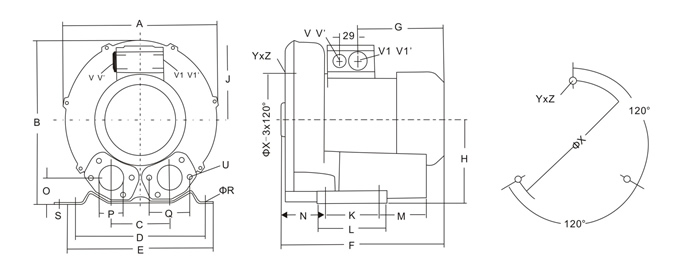
德冠品牌高壓風機產品尺寸表

|
型號 |
相數 |
A |
B |
C |
D |
E |
F |
G |
H |
J |
K |
L |
M |
N |
O |
P |
Q |
ΦR |
|
2DG 530 H16 |
3 |
334 |
337 |
120 |
260 |
295 |
334 |
160 |
175 |
120 |
115 |
155 |
96 |
87 |
48 |
55 |
83 |
14 |
|
型號 |
相數 |
S |
U |
V |
V’ |
V1 |
V1’ |
YxZ |
X-holes |
ΦX |
|
2DG 530 H16 |
3 |
4 |
M8 x 17 |
|
|
M25x1.5 |
M16x1.5 |
M8 x 20 |
0°/120°/240° |
Φ200 |
德冠品牌高壓風機產品參數表
|
型號 |
相數 |
段數 |
頻率 |
功率 |
額定電壓 |
額定電流 |
最大流量 |
最大壓力 |
最大壓力 |
噪聲 |
重量 |
|
Hz |
KW |
V |
A |
m3/h |
吸力 |
吹力 |
dB |
Kg |
|
2DG 530 H16 |
3 |
1 |
50 |
1.3 |
200-240V △345-415 |
6.6△/3.8 |
270 |
-100mbar |
100mbar |
65 |
23 |
|
60 |
1.5 |
220-275V △380-480 |
6.9△/4.0 |
330 |
-70mbar |
50mbar |
71 |
23 |
*另注:以上參數是指風機在正常工作情況下,允許的最大工作吸力/吹力.
|
|