德冠高壓風機特點
高性能:高達2500m3/h的吸氣量和高達780mbar的壓差.
高品質:采用寬壓雙頻,使用零件達到最高要求,運用標準IP55,
F級高效馬達,且通過CE認證,達到最高標準。
低噪音:采用低噪音馬達加一體式的消音設備,噪音極低。
易安裝:可隨時安裝與使用,亦可任意安裝于水平或垂直方向
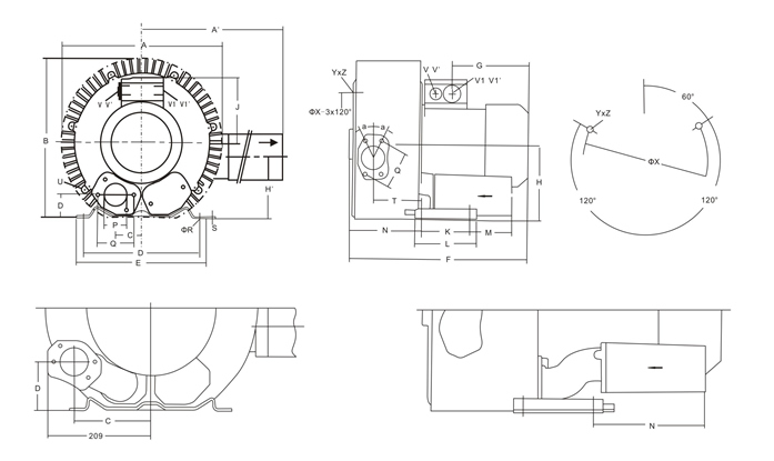
德冠品牌高壓風機產品尺寸表

|
型號 |
相數 |
A |
B |
C |
D |
E |
F |
G |
H |
J |
K |
L |
M |
N |
O |
P |
Q |
ΦR |
|
2DG 820 H17 |
3 |
500 |
490 |
76 |
356 |
394 |
545 |
226 |
240 |
167 |
170 |
217 |
- |
236 |
65 |
G2 1/2 |
104 |
15 |
|
型號 |
相數 |
S |
U |
V |
V’ |
V1 |
V1’ |
YxZ |
X-holes |
ΦX |
|
2DG 820 H17 |
3 |
6 |
|
4xM32x1.5 |
|
|
|
M12 x20 |
51.4°/120°/240° |
Φ286 |
|
型號 |
相數 |
B' |
F' |
H' |
N’ |
V1 |
V1’ |
YxZ |
X-holes |
ΦX |
|
2DG 820 H17 |
3 |
509 |
&n, bsp; 589 |
199 |
84 |
|
|
M12 x20 |
51.4°/120°/240° |
Φ286 |
德冠品牌高壓風機產品參數表
|
型號 |
相數 |
段數 |
頻率 |
額定功率 |
額定電壓 |
額定電流 |
最大流量 |
最大壓力 |
最大壓力 |
噪聲 |
重量 |
|
Hz |
KW |
V |
A |
m3/h |
吸力 |
吹力 |
dB |
Kg |
|
2DG 820 H17 |
3 |
2 |
50 |
5.5 |
345-415V△600-720 |
13.3△7.7 |
520 |
-240mbar |
240mbar |
74 |
83 |
|
60 |
6.3 |
345-415V△660-720 |
13.3△7.7 |
620 |
-170mbar |
160mbar |
78 |
83 |
*另注:以上參數是指風機在正常工作情況下,允許的最大工作吸力/吹力。